Product Summary
The AO4906 uses advanced trench technology to provide excellent R DS(ON) and low gate charge. The two MOSFETs make a compact and efficient switch and synchronous rectifier combination for use in DC-DC converters. A Schottky diode is co-packaged in parallel with the synchronous MOSFET to boost efficiency further. Standard Product AO4906 is Pbfree (meets ROHS & Sony 259 specifications). AO4906L is a Green Product ordering option. AO4906 is electrically identical.
Parametrics
AO4906 absolute maximum ratings: (1)Drain-Source Voltage, VDS: 30V; (2)Gate-Source Voltage, VGS: ±12V; (3)Continuous Drain Current, TA=25℃, ID: 7A; (4)Continuous Drain Current, TA=70℃, ID: 6A; (5)Pulsed Drain Current, Idm: 40A; (6)Schottky reverse voltage, VKA: 30V.
Features
AO4906 features: (1)VDS (V) = 30V; (2)ID = 7A (VGS = 10V); (3)RDS(ON) < 27mΩ (VGS = 10V); (4)RDS(ON) < 32mΩ (VGS = 4.5V); (5)RDS(ON) < 50mΩ (VGS = 2.5V).
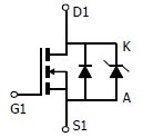
Diagrams

| Image | Part No | Mfg | Description |  | Pricing (USD) | Quantity | ||||
|---|---|---|---|---|---|---|---|---|---|---|
|  |  AO4906 |  Other |  |  Data Sheet |  Negotiable |  | ||||
| Image | Part No | Mfg | Description |  | Pricing (USD) | Quantity | ||||
|  |  AO4900 |  Other |  |  Data Sheet |  Negotiable |  | ||||
|  |  AO4900A |  Other |  |  Data Sheet |  Negotiable |  | ||||
|  |  AO4906 |  Other |  |  Data Sheet |  Negotiable |  | ||||
|  |  AO4912 |  Other |  |  Data Sheet |  Negotiable |  | ||||
|  |  AO4914 |  Other |  |  Data Sheet |  Negotiable |  | ||||
|  |  AO4916 |  Other |  |  Data Sheet |  Negotiable |  | ||||
 (Hong Kong)
 (Hong Kong) 
                         
                        
 
                                    




