Product Summary
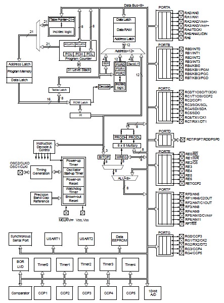
The PIC18LF6527 is a 64/80-Pin High-Performance, 256 Kbit to 1 Mbit Enhanced Flash Microcontroller with A/D. It provides an enhanced range of program memory options and versatile analog features that make the PIC18LF6527 ideal for complex, high-performance applications
Parametrics
PIC18LF6527 absolute maximum ratings: (1)Ambient temperature under bias: -55℃ to +125℃; (2)Storage temperature: -65℃ to +150℃; (3)Voltage on any pin with respect to VSS (except VDD, MCLR and RA4): -0.3V to (VDD + 0.3V); (4)Voltage on VDD with respect to VSS: -0.3V to +5.5V; (5)Voltage on MCLR with respect to VSS: 0V to +13.25V; (6)Voltage on RA4 with respect to Vss: 0V to +8.5V; (7)Total power dissipation: 1.0W; (8)Maximum current out of VSS pin: 300 mA; (9)Maximum current into VDD pin: 250 mA; (10)Input clamp current, IIK (VI < 0 or VI > VDD): ±20 mA; (11)Output clamp current, IOK (VO < 0 or VO > VDD): ±20 mA; (12)Maximum output current sunk by any I/O: 25 mA; (13)Maximum output current sourced by any I/O pin: 25 mA; (14)Maximum current sunk by all ports: 200 mA; (15)Maximum current sourced by all ports: 200 mA.
Features
PIC18LF6527 features: (1)100,000 erase/write cycle Enhanced Flash program memory typical; (2)1,000,000 erase/write cycle Data EEPROM memory typical; (3)1 second programming time; (4)Flash/Data EEPROM Retention: > 40 years; (5)Self-reprogrammable under software control; (6)Power-on Reset (POR), Power-up Timer (PWRT) and Oscillator Start-up Timer (OST); (7)Watchdog Timer (WDT) with its own On-Chip RC Oscillator for reliable operation; (8)Programmable code protection; (9)Power saving Sleep mode; (10)Selectable oscillator options including: 4X Phase Lock Loop (of primary oscillator); Secondary Oscillator (32 kHz) clock input.
Diagrams

| Image | Part No | Mfg | Description |  | Pricing (USD) | Quantity | ||||||||||||
|---|---|---|---|---|---|---|---|---|---|---|---|---|---|---|---|---|---|---|
|  |  PIC18LF6527-I/PT |  Microchip Technology |  8-bit Microcontrollers (MCU) 48 KB FL 4K RAM 70 I/O |  Data Sheet |  
 |  | ||||||||||||
|  |  PIC18LF6527T-I/PT |  Microchip Technology |  8-bit Microcontrollers (MCU) 48 KB FL 4K RAM 70 I/O |  Data Sheet |  
 |  | ||||||||||||
 (Hong Kong)
 (Hong Kong) 
                         
                        
 
                                    




