Product Summary
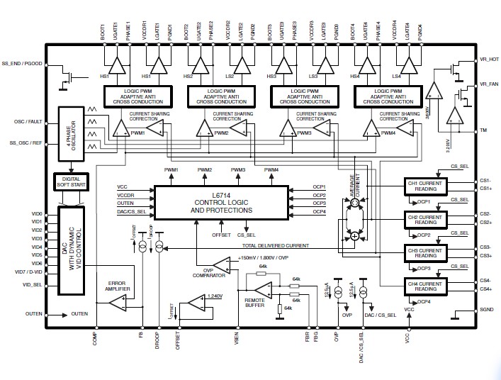
The L6714 is a 4 phase controller with embedded driver for Intel VR10, VR11 and AMD 6Bit CPUs. It assures fast protection against load over current and under / over voltage (in this last case also before UVLO). In case of over-current the system works in Constant Current mode until UVP. The applications of the L6714 include: (1)High current VRD for desktop CPUs; (2)Workstation and server CPU power supply; (3)VRM modules.
Parametrics
L6714 absolute maximum ratings: (1)VCC, VCCDRx to PGNDx: 15 V; (2)VBOOTx - VPHASEx Boot voltage: 15 V; (3)VUGATEx - VPHASEx: 15 V; (4)VCC - VBOOTx: 7.5 V; (5)LGATEx, PHASEx, to PGNDx: -0.3 to VCC + 0.3 V; (6)VID0 to VID7, VID_SEL: -0.3 to 5 V; (7)All other Pins to PGNDx: -0.3 to 7 V; (8)VPHASEx Static condition To PGNDx, VCC=14V, BOOTx=7V, PHASEx=-7.5V: -7.5 V; Positive peak voltage to PGNDx; T < 20ns @ 600kHz: 26 V.
Features
L6714 features: (1)Embedded VRD thermal monitor; (2)Integrated remote sense buffer; (3)Dynamic VID management; (4)Adjustable reference voltage offset; (5)Programmable Soft-Start; (6)Low-Side-Less startup; (7)Programmable over voltage protection; (8)Preliminary over voltage; (9)Constant over current protection; (10)Oscillator internally fixed at 150kHz externally adjustable; (11)Output enable; (12)SS_END / PGOOD signal.
Diagrams

| Image | Part No | Mfg | Description |  | Pricing (USD) | Quantity | ||||||||||||
|---|---|---|---|---|---|---|---|---|---|---|---|---|---|---|---|---|---|---|
|  |  L6714 |  STMicroelectronics |  Power Driver ICs 4 Phase Controller |  Data Sheet |  
 |  | ||||||||||||
|  |  L6714TR |  STMicroelectronics |  Power Driver ICs 4 Phase Controller |  Data Sheet |  
 |  | ||||||||||||
 (Hong Kong)
 (Hong Kong) 
                         
                        
 
                                    




