Product Summary
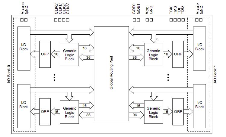
                                                  	The LC4256V is an In-System Programmable SuperFAST High Density PLD. The LC4256V combines high speed and low power with the flexibility needed for ease of design. With its robust Global Routing Pool and Output Routing Pool, this device delivers excellent First-Time-Fit, timing predictability, routing, pin-out retention and density migration. The LC4256V offers densities ranging from 32 to 512 macrocells.
                                                  
Parametrics
LC4256V absolute maximum ratings: (1)Supply Voltage (VCC):-0.5V to 5.5V ; (2)Output Supply Voltage (VCCO):-0.5V to 4.5V ; (3)Input or I/O Tristate Voltage Applied4, 5:-0.5V to 5.5V ; (4)Storage Temperature:-65℃ to 150℃; (5)Junction Temperature with Power Applied:-55℃ to 150℃.
Features
LC4256V features: (1)fMAX = 400MHz maximum operating frequency; (2)tPD = 2.5ns propagation delay; (3)Up to four global clock pins with programmable clock polarity control; (4)Up to 80 PTs per output; (5)Up to four global OE controls; (6)Individual local OE control per I/O pin; (7)Excellent First-Time-Fit TM and refit; (8)Fast path, SpeedLockingTM Path, and wide-PT path; (9)5V tolerant I/O for LVCMOS 3.3, LVTTL, and PCI interfaces; (10)Hot-socketing; (11)Open-drain capability; (12)Input pull-up, pull-down or bus-keeper; (13)Programmable output slew rate; (14)3.3V PCI compatible; (15)IEEE 1149.1 boundary scan testable; (16)3.3V/2.5V/1.8V In-System Programmable.
Diagrams

| Image | Part No | Mfg | Description |  | Pricing (USD) | Quantity | ||||||||||
|---|---|---|---|---|---|---|---|---|---|---|---|---|---|---|---|---|
|  |  LC4256V-10F256AI |  Lattice |  CPLD - Complex Programmable Logic Devices PROGRAMMABLE SUPER FAST HI DENSITY PLD |  Data Sheet |  Negotiable |  | ||||||||||
|  |  LC4256V-10F256BI |  Lattice |  CPLD - Complex Programmable Logic Devices PROGRAMMABLE SUPER FAST HI DENSITY PLD |  Data Sheet |  Negotiable |  | ||||||||||
|  |  LC4256V-10FT256BI |  Lattice |  CPLD - Complex Programmable Logic Devices ispJTAG 3.3V 10ns 256MC 160 I/O IND |  Data Sheet |  
 |  | ||||||||||
|  |  LC4256V-10FT256AI |  Lattice |  CPLD - Complex Programmable Logic Devices ispJTAG 3.3V 10ns 256MC 128 I/O IND |  Data Sheet |  
 |  | ||||||||||
|  |  LC4256V-10FN256BI |  Lattice |  CPLD - Complex Programmable Logic Devices PROGRAMMABLE SUPER FAST HI DENSITY PLD |  Data Sheet |  Negotiable |  | ||||||||||
|  |  LC4256V-10FN256AI |  Lattice |  CPLD - Complex Programmable Logic Devices PROGRAMMABLE SUPER FAST HI DENSITY PLD |  Data Sheet |  Negotiable |  | ||||||||||
|  |  LC4256V-10TN100I |  Lattice |  CPLD - Complex Programmable Logic Devices PROGRAMMABLE SUPER FAST HI DENSITY PLD |  Data Sheet |  
 |  | ||||||||||
|  |  LC4256V-10TN176I |  Lattice |  CPLD - Complex Programmable Logic Devices PROGRAMMABLE SUPER FAST HI DENSITY PLD |  Data Sheet |  
 |  | ||||||||||
 (Hong Kong)
 (Hong Kong) 
                         
                        
 
                                    



